Product Overview:
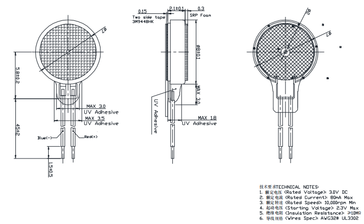
Size:Φ 8*2.1 | Rated voltage:3.0V | Rated current:≤80mA | Rated speed:10000 | Starting voltage:≤2.3V
Downloads
Product Description








