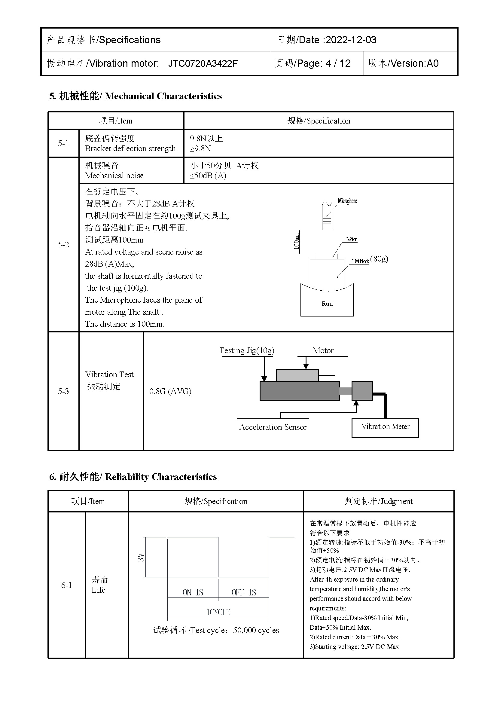
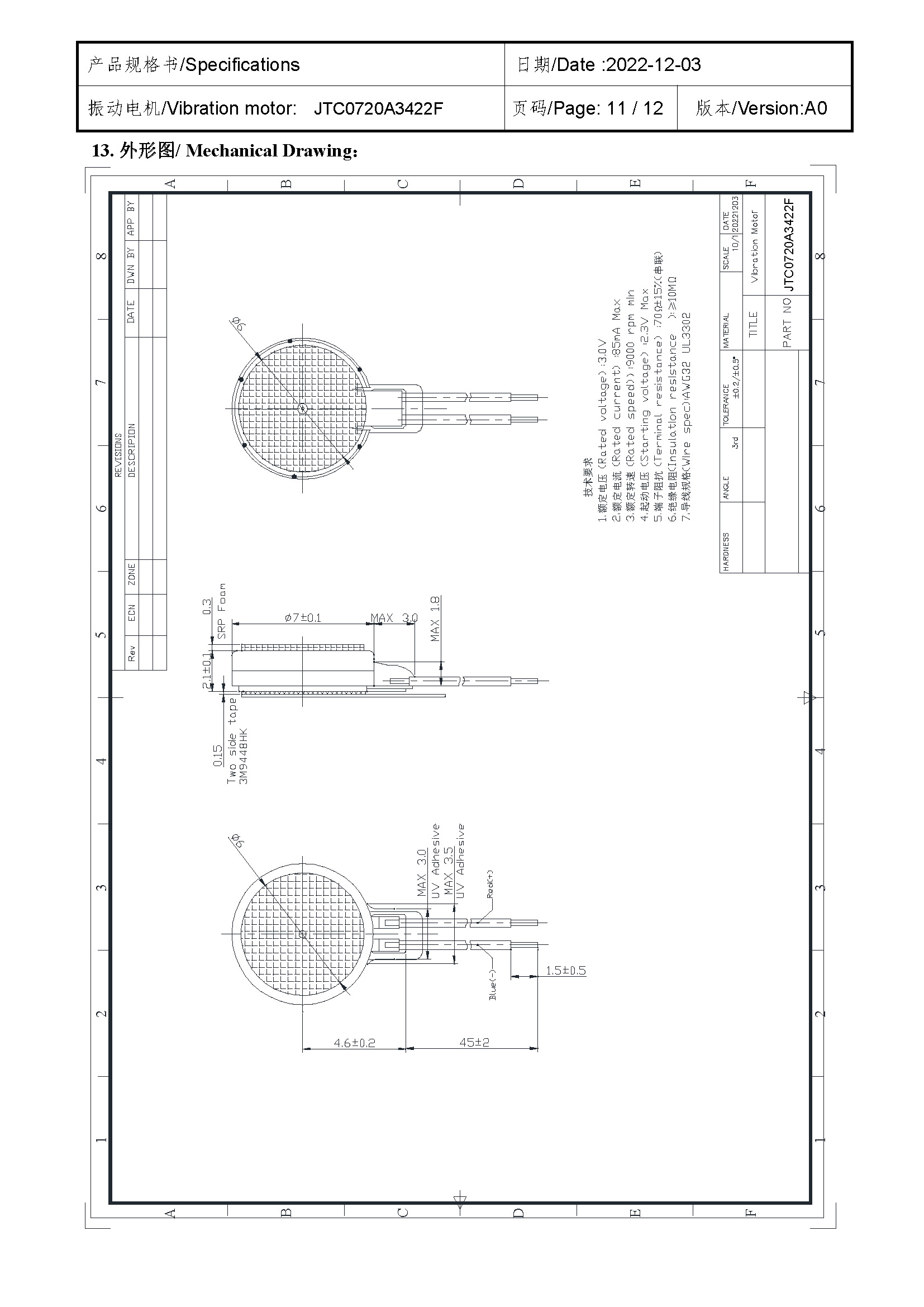
Product Overview:
Size:Φ 7*2.1 | Rated voltage:3.0V | Rated current:≤85mA | Rated speed:9000 | Starting voltage:≤2.5V
Downloads
Product Description










