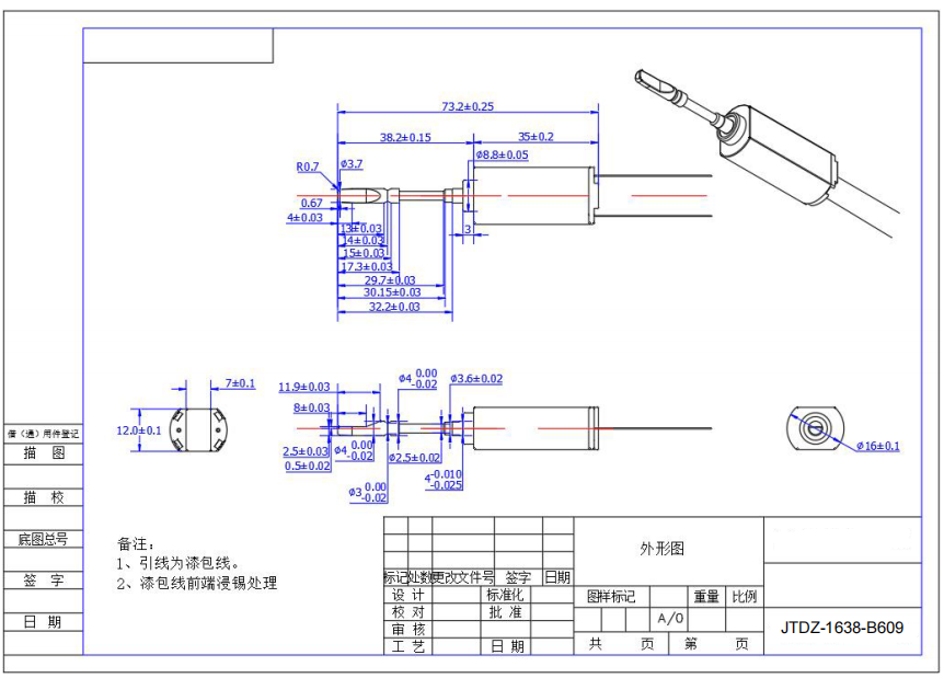
Product Overview:
Size:φ16*12*35 | Rated voltage:3.6V | Rated current:200mA±20% | Rated speed:170~350Hz | Starting voltage:3V
Downloads
Product Description








