Product Overview:
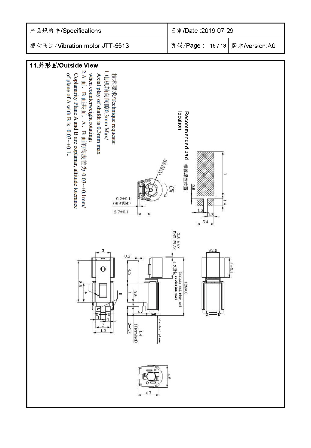
Size:12.0*4.5*4.3 | Rated voltage:1.3V | Rated current:≤110mA | Rated speed:9000±2500 | Starting voltage:≤1.1V
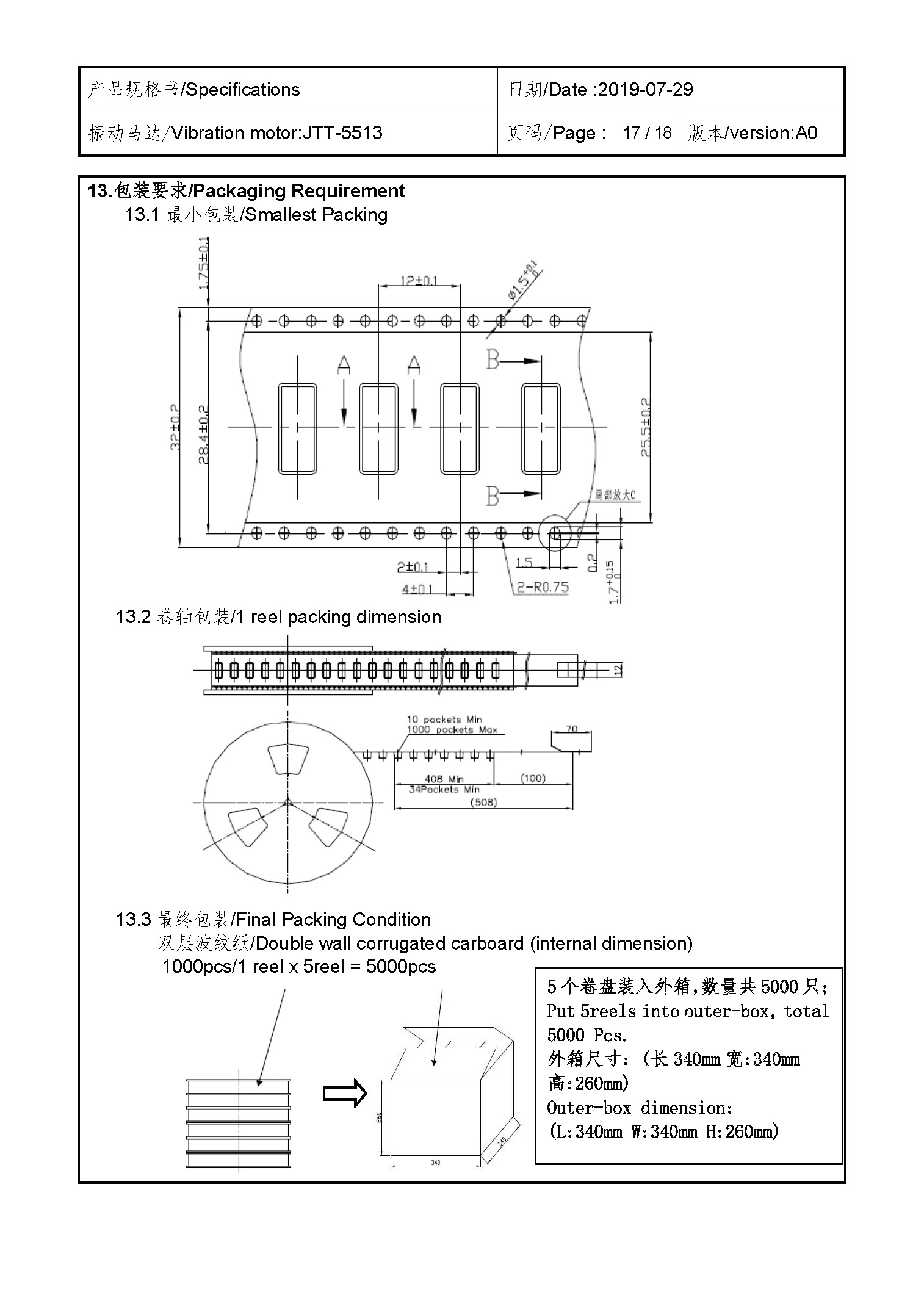
Downloads
Product Description
















