Product Overview:
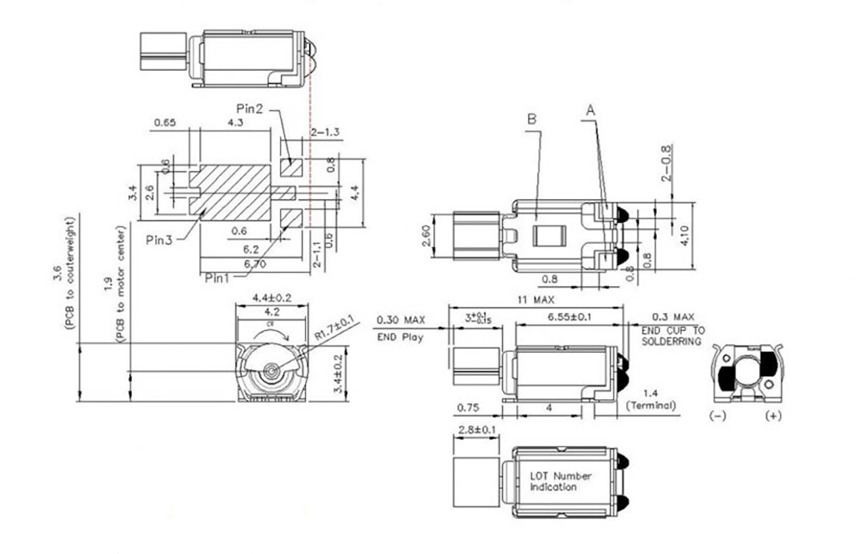
Size:11.0*4.4*3.4 | Rated voltage:2.7V | Rated current:≤75mA | Rated speed:14000±2500 | Starting voltage:≤2.3V
Downloads
Product Description
















