Product Overview:
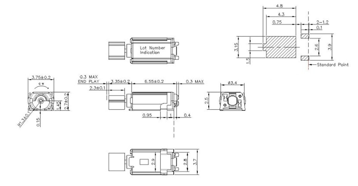
Size:9.9*3.75*2.7 | Rated voltage:1.6V | Rated current:≤80mA | Rated speed:16000±3500 | Starting voltage:≤1.4V
Downloads
Product Description

















