Product Overview:
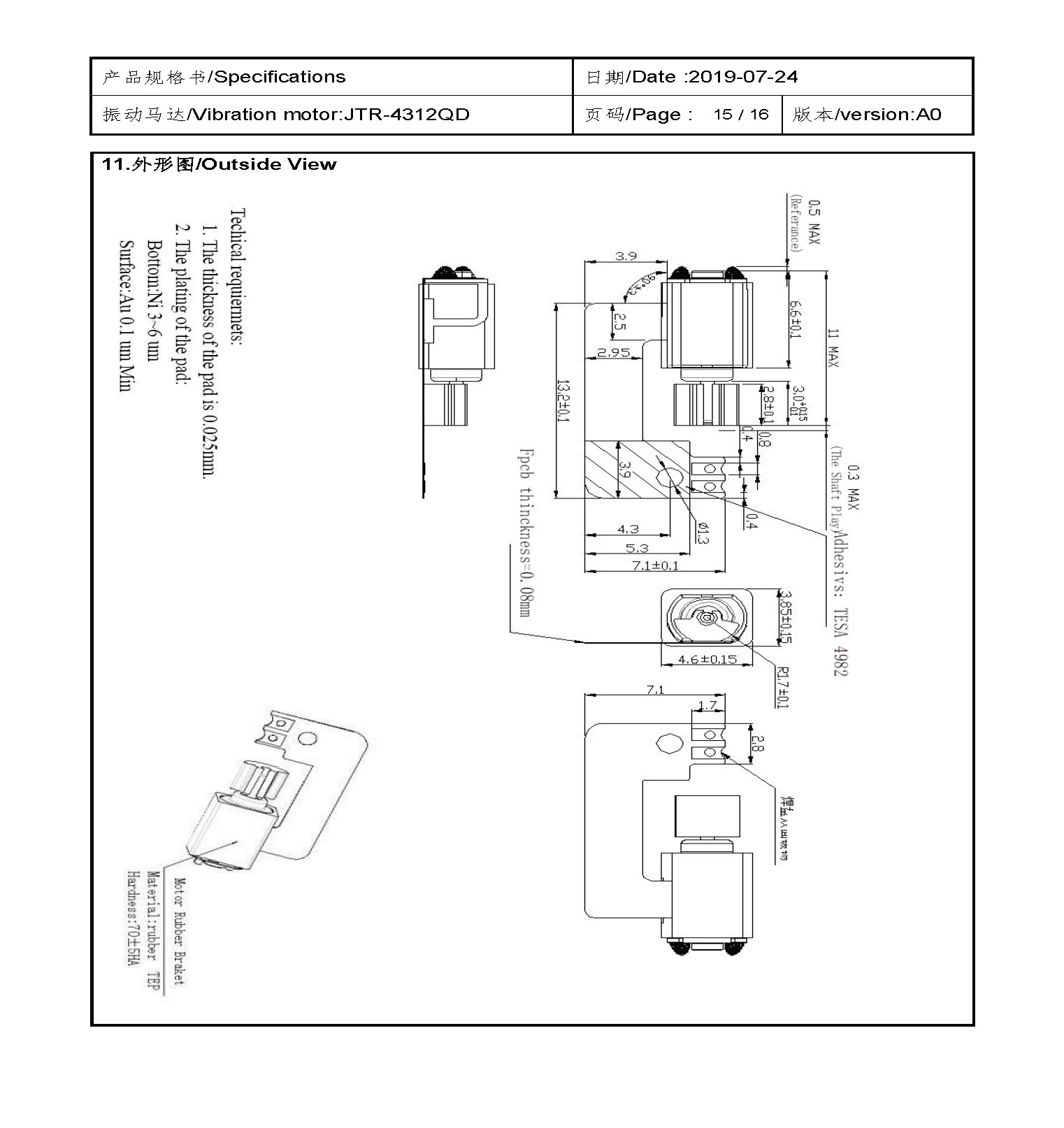
Size:11.0*3.85*4.6 | Rated voltage:2.7V | Rated current:≤55mA | Rated speed:10500±2500 | Starting voltage:≤2.3V
Downloads
Product Description















