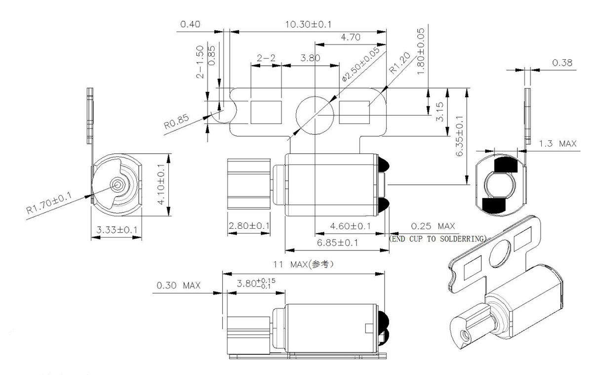
Product Overview:
Size:11.0*4.1*3.33 | Rated voltage:2.7V | Rated current:≤85mA | Rated speed:14000±2500 | Starting voltage:≤2.3V
Downloads
Product Description













