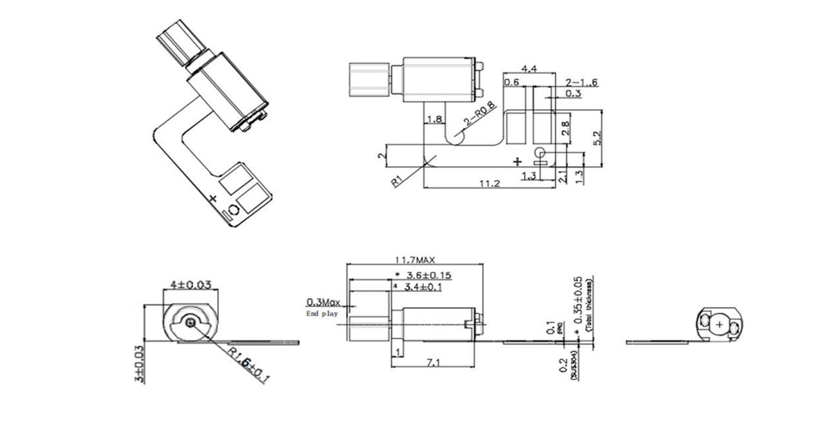
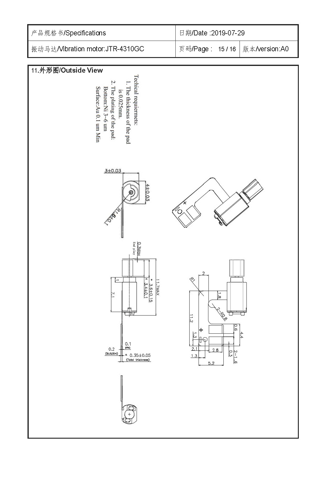
Product Overview:
Size:11.7*4.0*3.0 | Rated voltage:2.7V | Rated current:≤85mA | Rated speed:13000±2500 | Starting voltage:≤2.3V
Downloads
Product Description















