Home >  Products Micro Brush Motor

JTSY-3676


Product Overview:

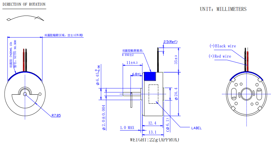
Size:24.4*12.4 | Rated voltage:3.0V | Rated current:≤23mA | Rated speed:4000 | Starting voltage:≤2.0V


Sending messages Downloads

Product Description

Contact Us

C

Jetta Technology Ltd

Address:3rd Floor, Building 1, No.368, Xiaonan Road, Fengxian District, Shanghai

Phone:+86 - 13916402875

E-mail:sales@jettamotor.com

JTZ7AJ2B1692081

JTQ7AL2BX180003

JTQ4TL2BQ230001

JTL120628H

JTC1020B001D

JTC0830B009L