Home >  Products Brushless Motor

JTW0525AB001D


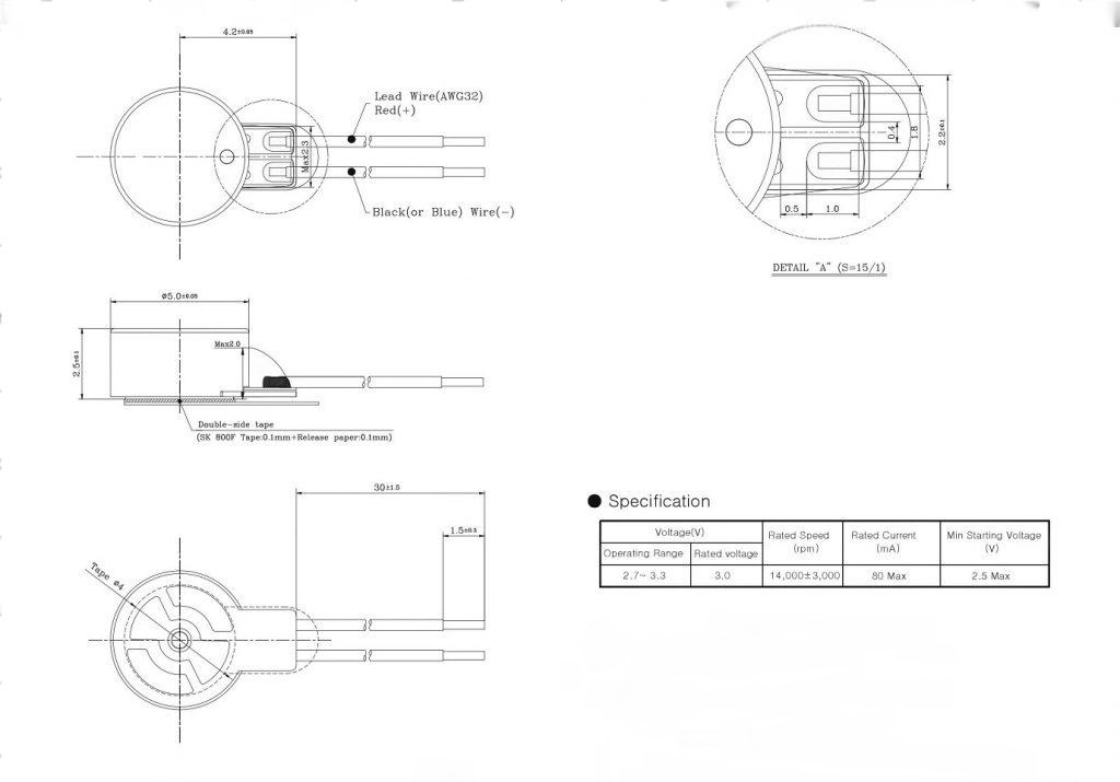
Product Overview:

Size:Φ5*2.5 | Rated voltage:3 V | Rated current:≤80mA | Rated speed:14000±3000 | Starting voltage:≤2.5V


Sending messages Downloads

Product Description

  

Contact Us

C

Jetta Technology Ltd

Address:3rd Floor, Building 1, No.368, Xiaonan Road, Fengxian District, Shanghai

Phone:+86 - 13916402875

E-mail:sales@jettamotor.com

JTZ7AJ2B1692081

JTQ7AL2BX180003

JTQ4TL2BQ230001

JTL120628H

JTC1020B001D

JTC0830B009L