Product Overview:
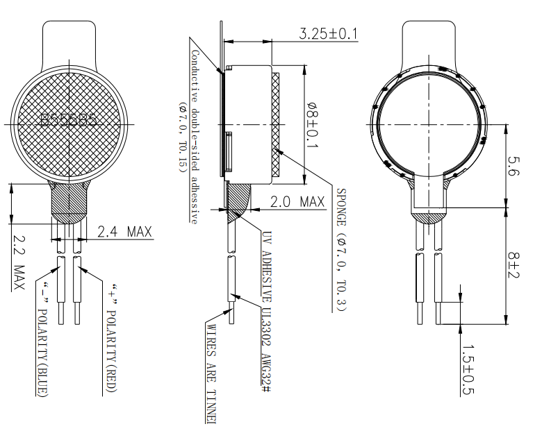
Size:Φ 8*3.25 | Rated voltage:2.0V | Rated current:≤90mA | Rated speed:235±5 Hz | Starting voltage:0.1~2.1V
Downloads
Product Description











