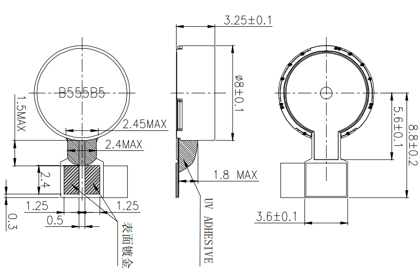
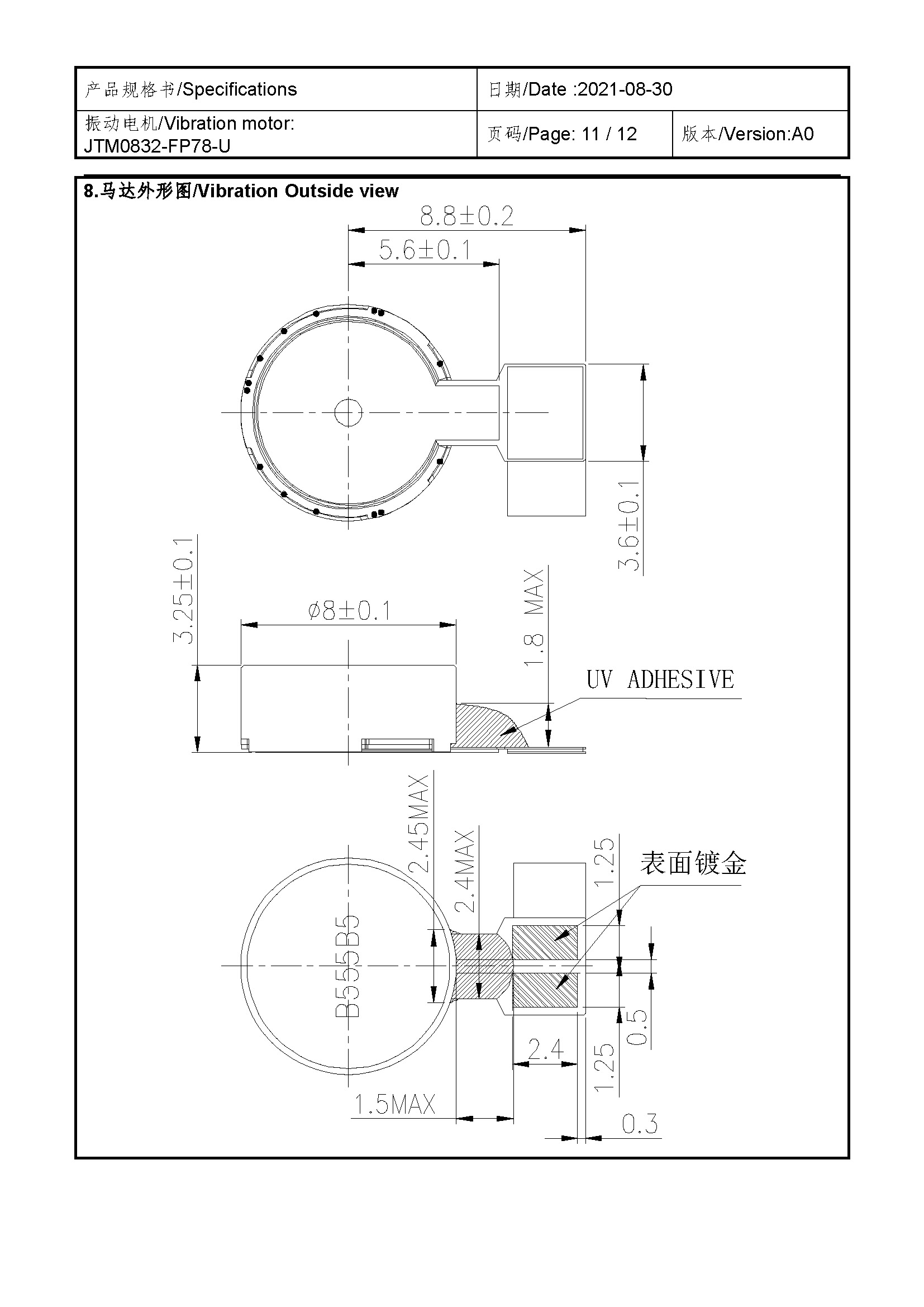
Product Overview:
Size:Φ 8*3.25 | Rated voltage:1.8V | Rated current:≤90mA | Rated speed:235±7 Hz | Starting voltage:0.1~1.85V
Downloads
Product Description











