Product Overview:
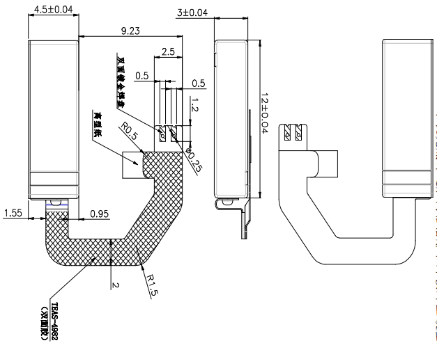
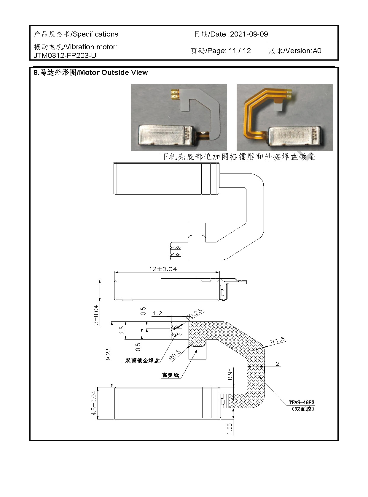
Size:12*3.0*4.5 | Rated voltage:1.8V | Rated current:≤100mA | Rated speed:240 ±10Hz | Starting voltage:0.1~1.85V
Downloads
Product Description











