Home >  Products Linear Vibration motor

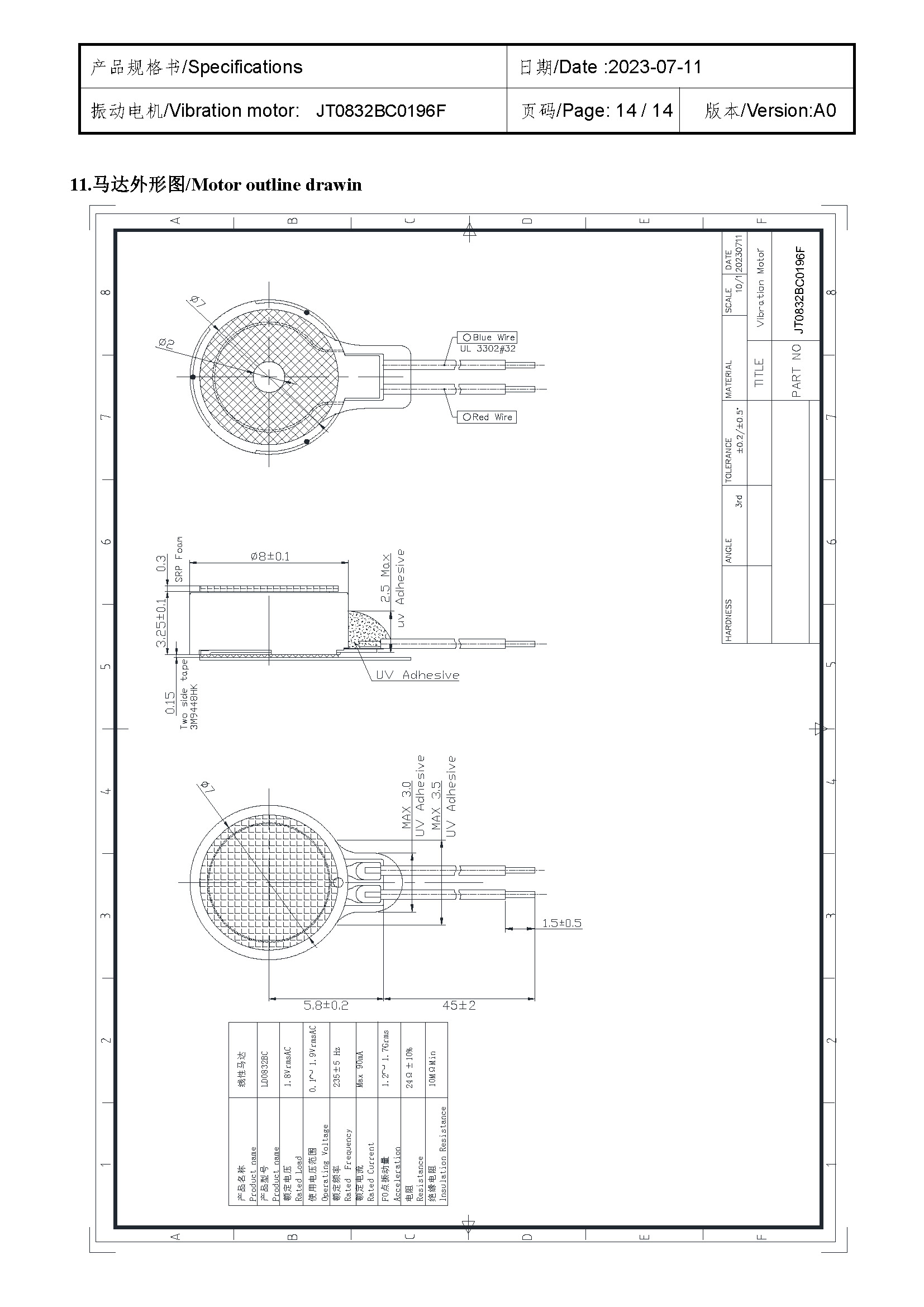
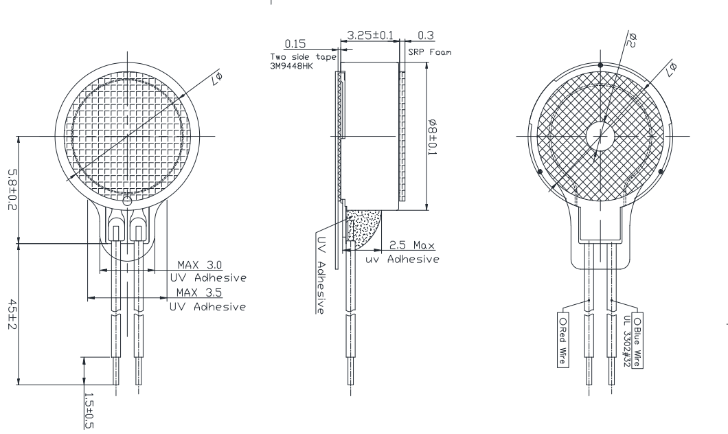
JT0832BC0196F


Product Overview:

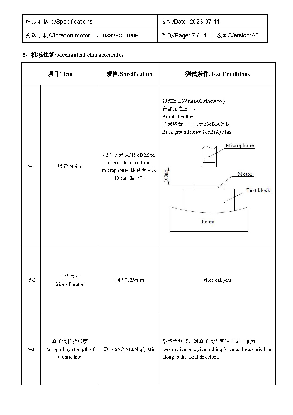
Size:Φ 8*3.25 | Rated voltage:1.8V | Rated current:≤90mA | Rated speed:235±5Hz | Starting voltage:0.1~1.9V


Sending messages Downloads

Product Description

 

Contact Us

C

Jetta Technology Ltd

Address:3rd Floor, Building 1, No.368, Xiaonan Road, Fengxian District, Shanghai

Phone:+86 - 13916402875

E-mail:sales@jettamotor.com

JTZ7AJ2B1692081

JTQ7AL2BX180003

JTQ4TL2BQ230001

JTL120628H

JTC1020B001D

JTC0830B009L