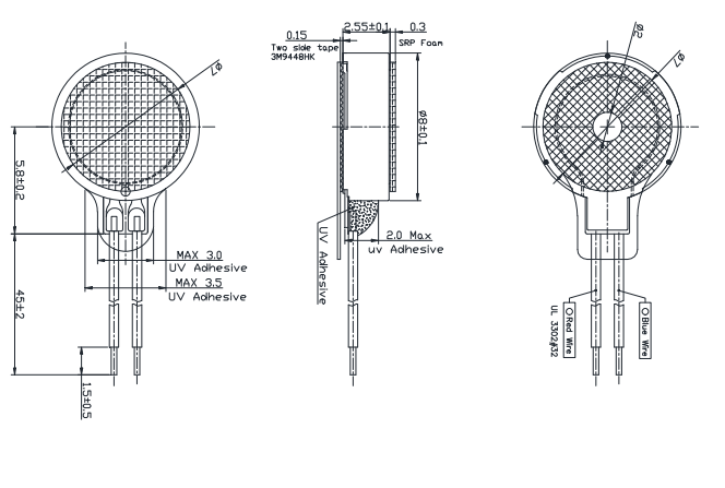
Product Overview:
Size:Φ 8*2.55 | Rated voltage:1.2±0.05V | Rated current:≤90mA | Rated speed:240±10Hz | Starting voltage:0.1-1.25V
Downloads
Product Description













