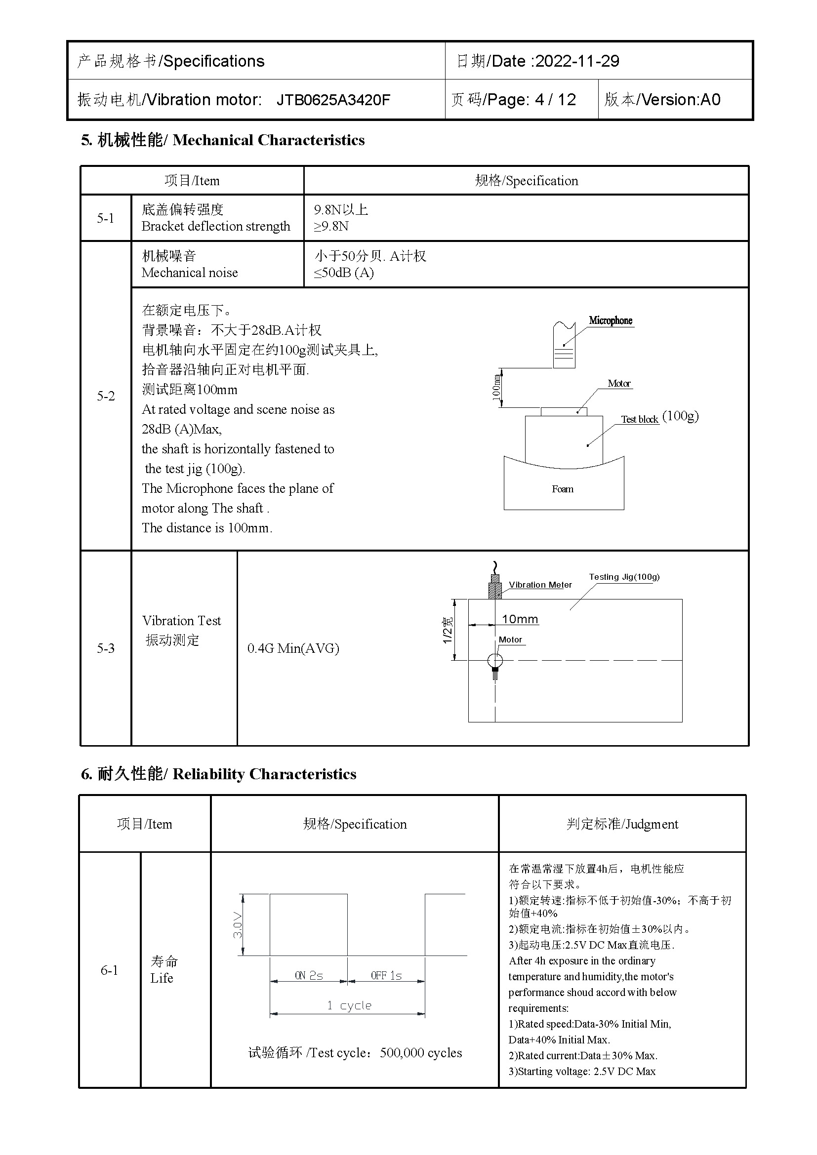
Product Overview:
Size:Φ 6*2.5 | Rated voltage:3.0V | Rated current:≤80mA | Rated speed:16000±3000 | Starting voltage:≤2.5V
Downloads
Product Description










