Product Overview:
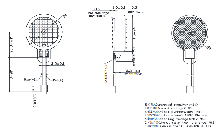
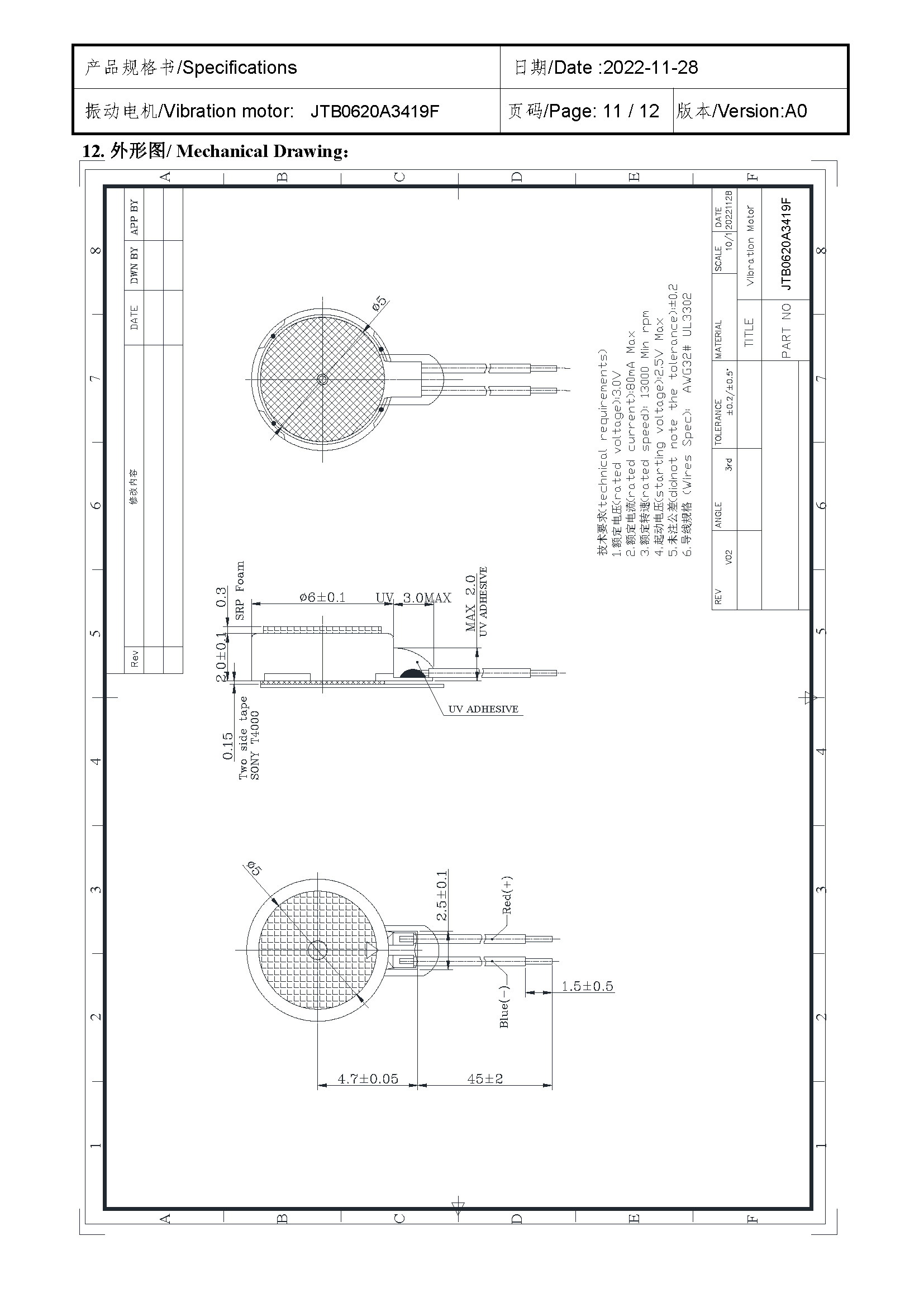
Size:Φ 6*2.0 | Rated voltage:3.0V | Rated current:≤80mA | Rated speed:13000 | Starting voltage:≤2.5V
Downloads
Product Description










